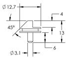
16604-9

Reduced height 45º / 90º Mount, short 6mm pin

  • Reduced height 45º / 90º SEM Mount Ø12.7mm, short 6mm pin for ZEISS/LEO. Aluminum, grooved edge.