

16607
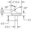
Low Profile Pin Mounts for FIB Applications
These special low profile pin mounts are available as flat, as a 90° mount, and with specific angles ideally suited to accommodate specimens with small working distances in FIB, DualBeam and CrossBeam systems. They are made out of aluminum and fully compatible with standard pin stub mounts (3.2mm diameter pin) for sample storage and transport. These mounts can be used directly in FEI/Thermo Fisher and TESCAN systems with the standard pin length and ZEISS/LEO systems with the short 6mm pin and with pin adapters in Hitachi and JEOL systems. Seven types are available:
16607- Low profile double pre-tilt (54°/36°) FIB mount with short pin (6mm) for ZEISS/LEO